База знаний
Релейная защита и автоматика. Объём проектирования в составе РД

После задания общих требований к оборудованию и создания структурно-функциональных схем в проектной документации⎘ (ПД) требуется детализованная проработка технических решений релейной защиты и автоматики на следующем этапе проекта, в рабочей документации (РД).

Панель с реле

Рабочая документация РЗА необходима для:

  • определения потребности в оборудовании и материалах;
  • производства монтажных и пусконаладочных работ;
  • уточнения сметной стоимости строительства (при необходимости).

Объём проектирования РЗА в составе РД для различных электроустановок и устройств может разительно отличаться друг от друга, но всё что их объединяет — собрано в этой статье.

СОДЕРЖАНИЕ:

  1. Общие указания.
  2. Схема распределения по ТТ и ТН устройств ИТС.
  3. План расположения оборудования РЗА в здании ОПУ.
  4. Схема электрическая принципиальная (поясняющая).
  5. Цепи переменного тока и напряжения.
  6. Цепи оперативного тока.
  7. Входные и выходные цепи.
  8. Цепи управления и сигнализации.
  9. Схема соединений (монтажная).
  10. Прочие листы графической части.
  11. Оформление ссылочных и прилагаемых документов.
  12. Кабельный журнал.
  13. Спецификация оборудования, изделий и материалов.
  14. Карты заказа оборудования.
  15. Бланки уставок защит.

ТЕКСТОВАЯ ЧАСТЬ:

1. Общие указания

В общих указаниях, в соответствии с ГОСТ P 21.101⎘ приводят:

  • сведения о документах, на основании которых принято решение о разработке РД (например, задание на проектирование, утверждённая ПД);
  • запись о соответствии РД заданию на проектирование, выданным техническим условиям (при наличии таковых), прочим НТД;
  • перечень нормативных документов, на которые даны ссылки в рабочих чертежах;
  • абсолютную отметку, принятую в рабочих чертежах здания или сооружения условно за нулевую;
  • запись о результатах проверки на патентоспособность и патентную чистоту (при необходимости);
  • перечень видов работ, для которых необходимо составление актов освидетельствования скрытых работ;
  • сведения о том, кому принадлежит данная интеллектуальная собственность (при необходимости);
  • эксплуатационные требования, предъявляемые к проектируемому зданию или сооружению (при необходимости);
  • другие необходимые указания.

В общих указаниях не следует повторять технические требования, помещённые на других листах основного комплекта рабочих чертежей, и давать описание принятых в рабочих чертежах технических решений.

Стоит обратить внимание, что в перечень нормативных документов «Общих указаний» не включают документы, записанные в ведомость ссылочных и прилагаемых документов.

ГРАФИЧЕСКАЯ ЧАСТЬ:

2. Схема распределения по ТТ и ТН устройств ИТС

Схема распределения в составе РД должна соответствовать тем же правилам⎘, что и в ПД.

3. План расположения оборудования РЗА в здании ОПУ

План расположения вторичного оборудования внутри помещений принципиально не отличается от выполненного на этапе ПД. Более подробно о нём — читайте в предыдущей статье⎘.

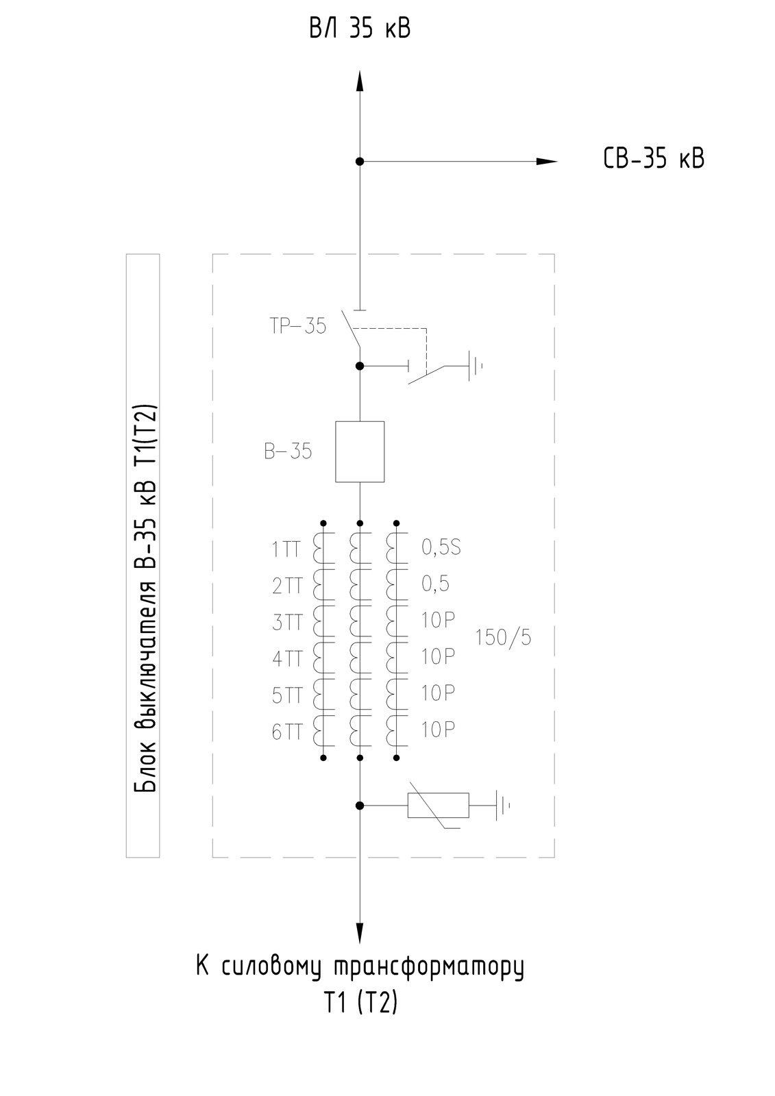
4. Схема электрическая принципиальная (поясняющая)

На поясняющей (принципиальной электрической) схеме отражается отдельная ячейка (присоединение), а не электроустановка в целом.

Электрическая схема

Схема выполняется в связке с последующими графическими листами — она поясняет диспетчерские наименования на них, а также даёт краткую техническую характеристику отдельных элементов.

Поясняющая схема является необязательным элементом, если схема распределения отражает те же элементы и функции, располагается в том же томе проекта, а электроустановка объединяет небольшое количество оборудования.

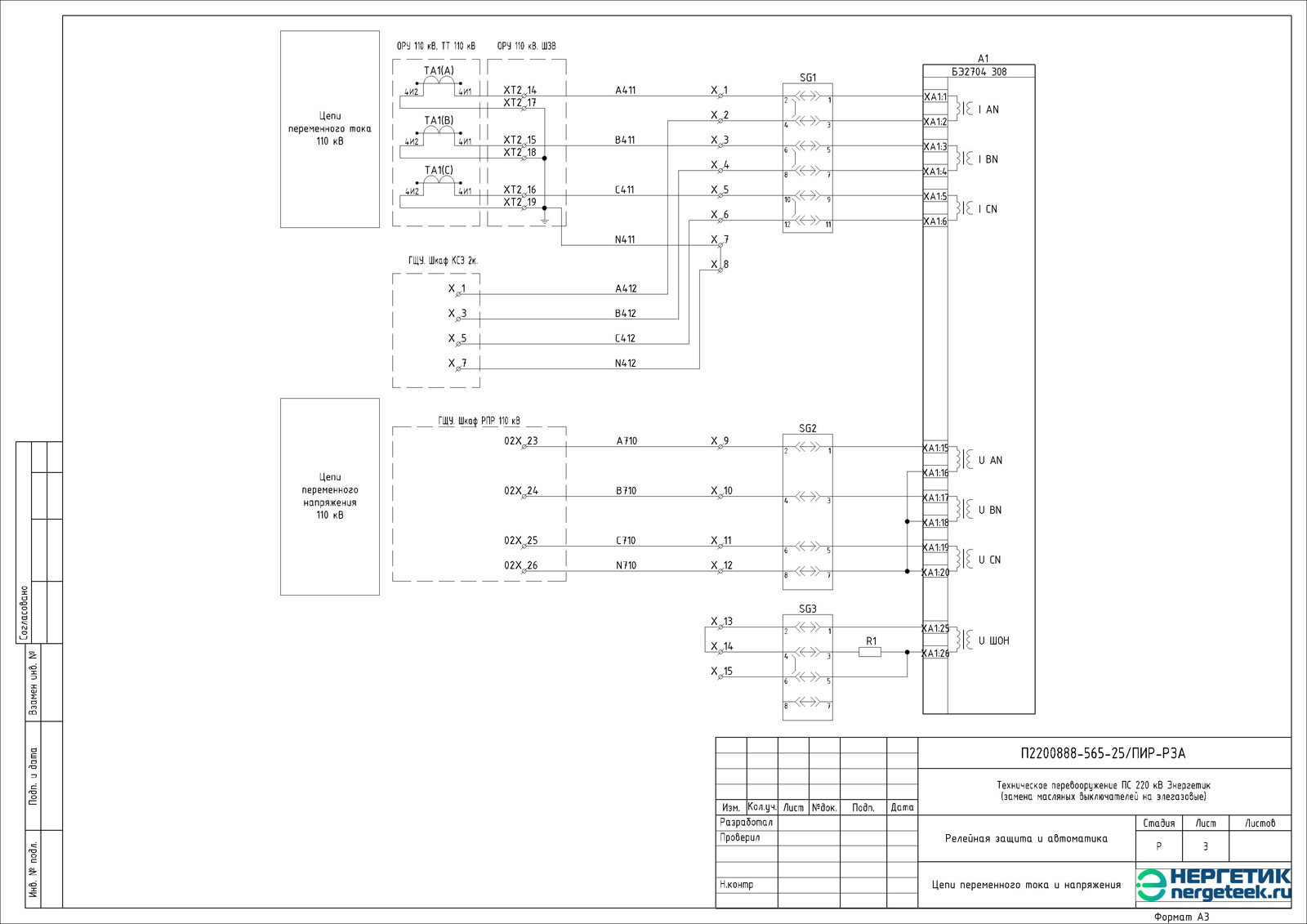
5. Цепи переменного тока и напряжения

Цепи подключения к обмоткам трансформаторов тока (токовые цепи) и напряжения (цепи напряжения) также представляют собой схемы электрические принципиальные. В соответствии с названием, на них изображают подключение кабелей к трансформаторам тока и напряжения электроустановки.

Электрическая схема
Электрическая схема

Цепи переменного тока и напряжения могут быть разнесены на отдельные листы или совмещены на одном. Им присущи все основные правила, согласно ГОСТ 2.701⎘ и ГОСТ 2.702⎘, что и прочим принципиальным схемам:

  • на схеме изображаются основные электрические элементы (устройства), электрические взаимосвязи между ними, а также электрические элементы (соединители, зажимы и т. д.), которыми заканчиваются входные и выходные цепи;
  • состав элементов и взаимосвязи между ними должны давать полное (детальное) представление о принципах работы изделия (установки);
  • элементы или устройства, используемые в изделии частично, допускается изображать на схеме не полностью, ограничиваясь изображением только используемых частей или элементов;
  • схемы выполняют для изделий, находящихся в отключённом положении.

Для маркировки токовых цепей применяются номера с 401 по 499 с добавлением фазировки (например, А411-419 для 1ТТ, В421-429 для 2ТТ и т.д.). Если количество трансформаторов тока больше 9, можно использовать номера с 501 по 599, а далее — с 801 по 899. Для токовых цепей ДЗШ есть свои исключения.

Маркировку цепей напряжения выполняют числами 600-699. Но цепи, подключаемые к шинкам ТН через вспомогательные контакты разъединителей или контакты реле, маркируют с 710 по 779 (например, для ТН 110 кВ — А710, для ТН 750 кВ — С770).

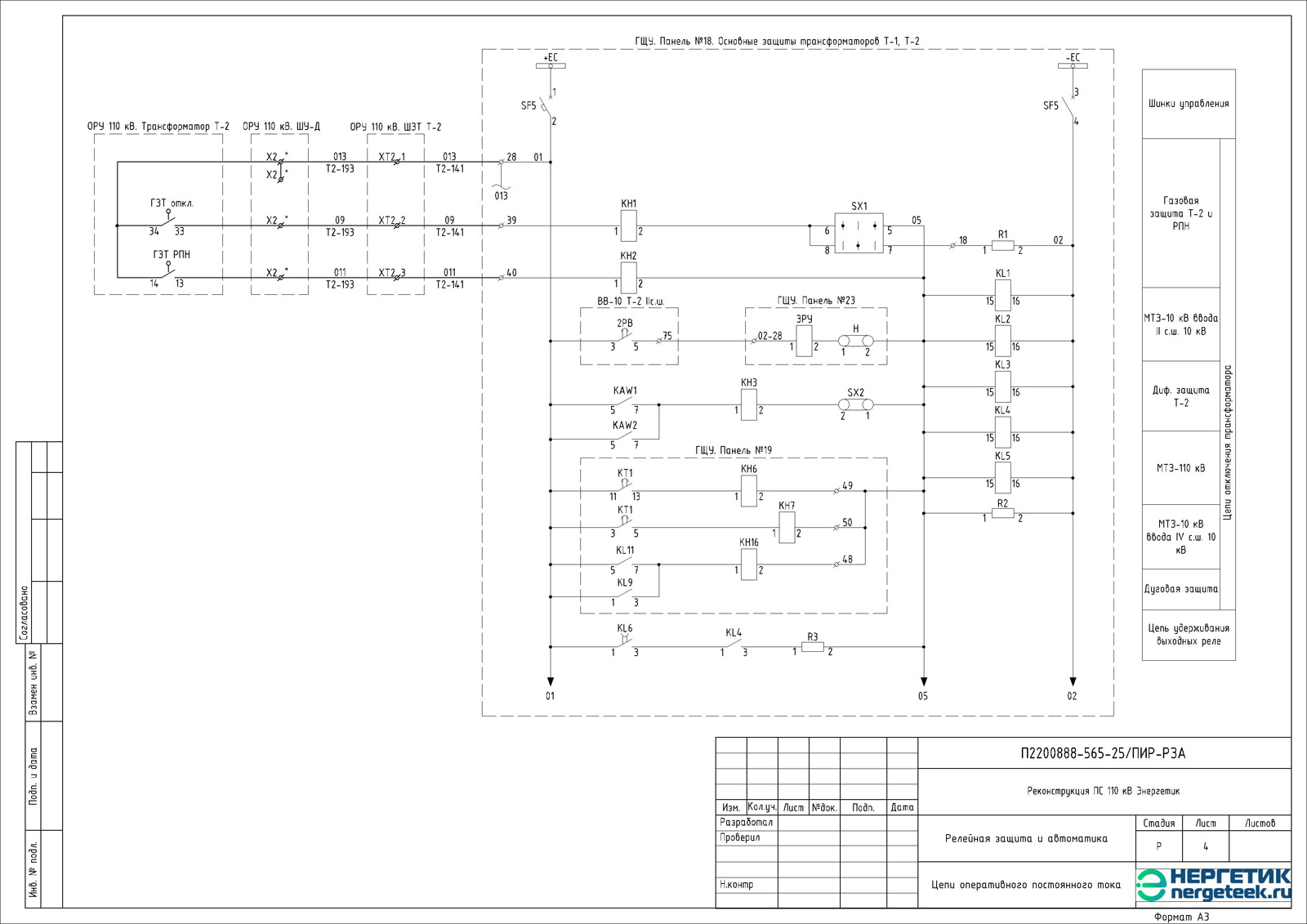
6. Цепи оперативного тока

На принципиальной схеме цепей оперативного (постоянного) тока показывают точку подключения питания проектируемого оборудования к СОТ электроустановки, а также транзит этой цепи по отдельным устройствам (шкафам, клеммникам).

Электрическая схема

«Плюс» маркируется нечётными числами (1, 101, 201...), «минус» — чётными (2, 102, 202...).

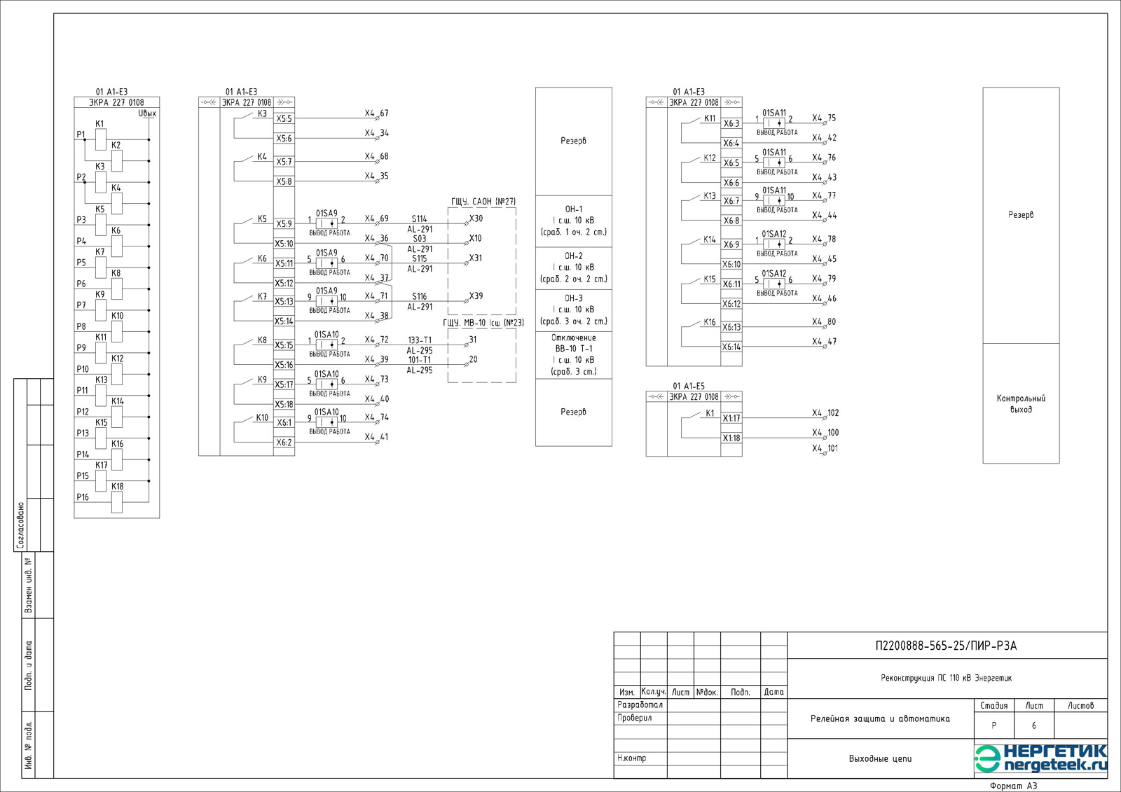
7. Входные и выходные цепи

На принципиальной схеме входных цепей отображается полная детализованная и безразрывная цепь от источника входных цепей и ключевых элементов (испытательных блоков, ключей, аппаратов защиты) до клемм защитного устройства.

На принципиальной схеме выходных цепей РЗА отображаются элементы, которые реализуют действие защиты или автоматики (силовое воздействие) на отключение, включение или сигнализацию. Схема выходных цепей отражает «путь» от защитного устройства, через испытательные блоки и ключи, до исполнительного механизма.

Электрическая схема
Электрическая схема

Схема входных и выходных цепей РЗА — это карта силовой логики, показывающая, как команда от источника, поступающая на защитной устройство, в защитном устройстве превращается в физическое действие: отключение выключателя, включение резерва, подача звукового или светового сигнала.

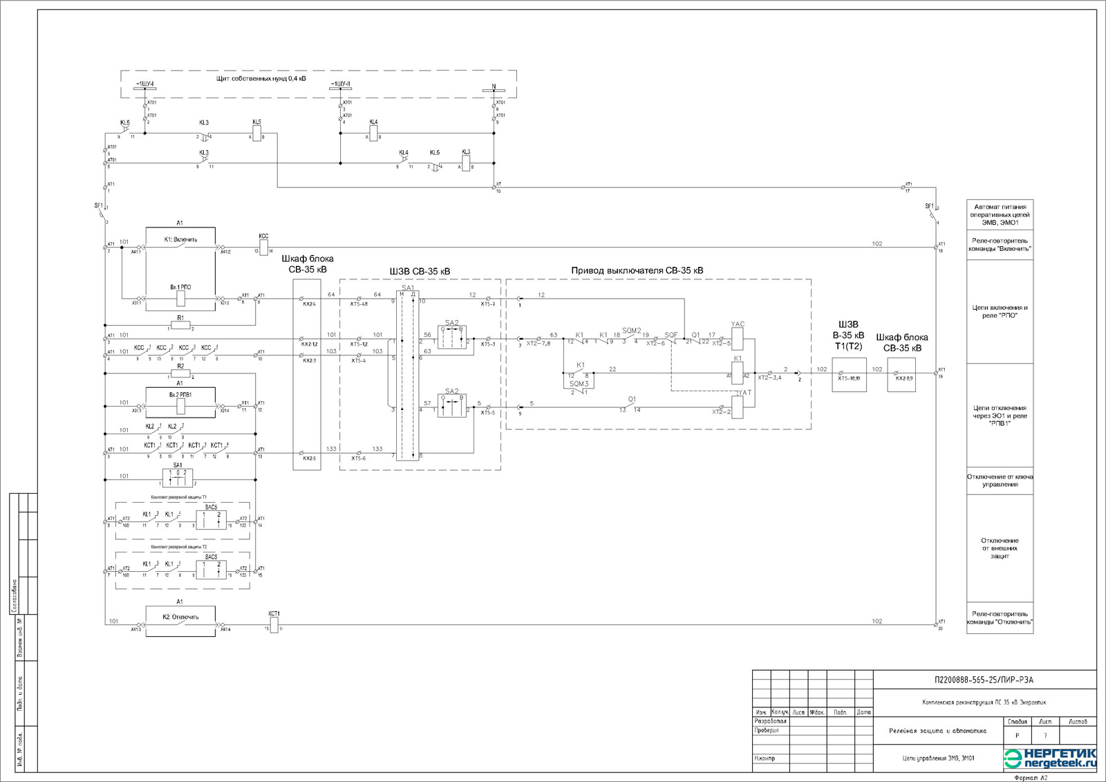
8. Цепи управления и сигнализации

Цепи управления и сигнализации обеспечивают связь между защитными устройствами, коммутационными аппаратами и оперативным персоналом.

Электрическая схема

Основные задачи цепей управления:

  • отключение выключателя при срабатывании защиты (КЗ, повреждения);
  • включение/отключение выключателя (ручное, автоматическое, АПВ);
  • пуск/останов силовых агрегатов (генераторов, компенсаторов и пр.);
  • переключение отпаек трансформаторов (РПН);
  • блокировки для предотвращения ошибочных или небезопасных операций.

В цепях управления, как правило, отображаются (выходные контакты) реле защиты, ключи управления (на щитах), кнопки (местного управления), катушки включения/отключения (приводов) выключателя, блок-контакты выключателя, контакторы и пускатели двигателей.

Цепи сигнализации — это цепи, которые информируют оперативный персонал о состоянии оборудования, срабатывании защит, неисправностях. Выделяют:

  • аварийную сигнализацию (действие защит на отключение выключателя, серьёзные аварийные отклонения параметров);
  • предупредительную сигнализацию (ненормальные, но неаварийные режимы — перегрев, снижение уровня масла, обрыв цепей управления, срабатывание газового реле, замыкание на землю в сети);
  • (диспетчерскую) сигнализацию положения (сигнализирует о положении коммутационных аппаратов);
  • сигнализацию состояния устройств РЗА («работа», «неисправность», «отключение», «тревога»).

Аварийная сигнализация должна выполняться по принципу: общий мигающий световой табло-сигнал («авария») + индивидуальное табло (например, «откл. ВЛ») + звуковой сигнал (звонок, сирена). Звук можно отключить кнопкой «отключение звука», свет горит до сброса (кнопкой «сигнал принят»).

Предупредительная сигнализация выполняться по принципу: общий постоянный световой сигнал («предупредительный») + индивидуальное табло + звонок (отличающийся по тону от аварийного). Также отключается кнопкой.

В качестве диспетчерской сигнализации на мнемосхему или панели щита управления выводятся лампочки/светодиоды: (красная — ВКЛ, зелёная — ОТКЛ). Часто с надписью.

Нумерация проводов цепей управления и сигнализации:

  • 3-19 — цепи включения;
  • 20-29 — цепи катушек реле-повторителей шинных разъединителей;
  • 30-49 — цепи отключения;
  • 50-69 — цепи АПВ, АВР и другой автоматики;
  • 70-79 — цепи ламп сигнализации положения выключателя;
  • 80-89 — цепи катушек реле фиксации команд дистанционного управления;
  • 90-99 — цепи звуковой сигнализации аварийного отключения;
  • 100 — цепь мигающего света;
  • 701, 801 — предупредительная сигнализация.

9. Схема соединений (монтажная)

На монтажной схеме, как правило, изображаются клеммные ряды зажимов с подключением к ним внешних цепей шкафа, панели или устройства.

Электрическая схема

Основные правила (монтажных) схем соединений:

  • устройства и элементы на схеме изображают в виде прямоугольников или упрощённых внешних очертаний;
  • расположение изображений входных и выходных элементов или выводов внутри графических обозначений и устройств или элементов должно примерно соответствовать их действительному размещению в устройстве или элементе;
  • элементы, используемые в изделии частично, допускается изображать на схеме не полностью, ограничиваясь изображением только используемых частей;
  • на схеме около графических обозначений устройств и элементов указывают позиционные обозначения, присвоенные им на принципиальной схеме;
  • провода, группы проводов, жгуты и кабели (многожильные провода, электрические шнуры) должны быть показаны на схеме отдельными линиями; толщина линий, изображающих провода, жгуты и кабели на схемах, должна быть от 0,4 до 1 мм;
  • при подходе к контактам каждый провод и жилу кабеля (многожильного провода, электрического шнура) изображают отдельной линией;
  • номера проводов и жил кабелей (многожильных проводов, электрических шнуров) на схеме проставляют, как правило, около обоих концов изображений;
  • для одножильных проводов на схеме следует указывать марку, сечение и, при необходимости, расцветку; для кабелей (многожильных проводов, электрических шнуров), записываемых в спецификацию как материал, — марку, количество и сечение жил и, при необходимости, количество занятых жил; для жгутов, кабелей и проводов, изготавливаемых отдельно, — обозначение основного конструкторского документа.

Нумерация цепей на монтажной схеме должна соответствовать маркировке, принятой на схемах принципиальных.

10. Прочие листы графической части

В графическую часть могут быть также включены:

  • план прокладки кабелей;
  • шаблоны информационных знаков оборудования и пр.

Все они не являются обязательными, если это не влияет на качество выполнения монтажных и пусконаладочных работ на объекте.

ССЫЛОЧНЫЕ И ПРИЛАГАЕМЫЕ ДОКУМЕНТЫ:

11. Оформление ссылочных и прилагаемых документов

Перечень указанных документов отображается в табличном виде в разделе «Общие данные» тома.

К ссылочным документам относят:

  • стандарты (технические условия) на строительные изделия;
  • чертежи типовых конструкций, изделий и узлов.

Согласно ГОСТ P 21.101⎘ в рабочих чертежах допускается применять типовые конструкции, изделия и узлы путём ссылок на документы. Причём сами ссылочные документы в составе рабочей документации, передаваемой заказчику, необязательны.

Прилагаемым документам присваивают обозначение основного комплекта с добавлением через точку шифра прилагаемого документа.

Ведомость ссылочных и прилагаемых документов
Обозначение Наименование Примечание
Ссылочные документы
ЭКРА.656453.1092Э3 Схема электрическая принципиальная
ИВЕЖ.654133.026 РЭ Привод пружинный. Руководство по эксплуатации
АРСГ.656359.155 Э3 Шкаф зажимов ШЗВ. Схема электрическая принципиальная
...
Прилагаемые документы
ПИР-5685/2025-РЗА.КЖ Кабельный журнал
ПИР-5685/2025-РЗА.С Спецификация оборудования, изделий и материалов
ПИР-5685/2025-РЗА.ОЛ Опросный лист для заказа выключателя 110 кВ
ПИР-5685/2023-ЭМ.РР Карта заказа шкафа защит
ПИР-5685/2025-РЗА.РР Бланки уставок защит

12. Кабельный журнал

Кабельный (или кабельно-трубный) журнал выполняется в соответствии с ГОСТ 21.613⎘. Все заполненные графы длин кабелей «по проекту» уточняются, и новые значения заносятся в графу «проложен» после прокладки и монтажа.

13. Спецификация оборудования, изделий и материалов

Сводную спецификацию рекомендуют составлять по разделам в последовательности:

  • оборудование и приборы;
  • изделия и материалы;
  • кабельно-проводниковая продукция.

14. Карты заказа оборудования

Карты заказа формируются на основе заводских шаблонов и могут включать в себя следующую информацию:

  • реализуемые функции шкафа;
  • характеристики терминала шкафа;
  • конструктив шкафа;
  • запасные изделия и приспособления, необходимые в процессе эксплуатации;
  • контакты и адрес заказчика;
  • способ доставки;
  • дополнительную информацию.

15. Бланки уставок защит

Расчёты уставок в состав рабочей документации, как правило, не включают — все необходимые расчёты должны выполняться на стадии ПД. Но могут быть даны поясняющие формулы к заполненным таблицам параметрирования проектируемых устройств защиты и автоматики.

Сами таблицы заполняются на основе предоставленных от завода-изготовителя шаблонов.

ВЫВОД

Том релейной защиты и автоматики в рабочей документации сильно отличается от выполненного на этапе ПД. В то время, как технические решения, отражённые на втором этапе, служат продолжением первого этапа (и отступления от них практически недопустимы), визуально и объёмно РД значительно отличается от ПД.

Настоящая статья показывает, что основная составляющая РД по РЗА составляет графическую часть, количество включённых в том схем может измеряться сотнями, а трудозатраты на их выполнение превышают трудозатраты первого этапа проектирования.

ССЫЛОЧНАЯ ЛИТЕРАТУРА

Основные нормативно-технические документы, использованные в материале, доступны на странице НТД и отфильтрованы по ссылкам: РЗА⎘, ТТ⎘, Прочее⎘

Подобный проект можно заказать через форму обратной связи на сайте

РЕКОМЕНДУЕМ К ПРОЧТЕНИЮ

  • Энергетик
  • 27 ноября 2025

Релейная защита и автоматика. Объём проектирования в составе ПД

Подробнее

  • Энергетик
  • 29 января 2025

Замена выключателей 500 кВ и борьба с апериодической составляющей

Подробнее

Мировая энергетика

Обратите внимание на наши интерактивные карты мировых источников энергии

Перейти

JB Cookies

Обратная связь через Адрес электронной почты защищен от спам-ботов. Для просмотра адреса в браузере должен быть включен Javascript.
©2020-2026. Энергетик.ру — все права защищены