База знаний
Релейная защита и автоматика. Объём проектирования в составе ПД

Совокупность устройств, предназначенных для автоматического выявления коротких замыканий, замыканий на землю и других ненормальных режимов работы линий электропередачи и оборудования, которые могут привести к их повреждению и (или) нарушению устойчивости энергосистемы, формирования управляющих воздействий на отключение коммутационных аппаратов в целях отключения этих линий электропередачи и оборудования от энергосистемы, формирования предупредительных сигналов называется релейной защитой (РЗ).

Релейная защита и автоматика (РЗА) более обширное понятие, которое включает в себя такие разделы, как:

  • релейная защита;
  • сетевая автоматика;
  • противоаварийная автоматика;
  • режимная автоматика;
  • технологическая автоматика.
Защита подстанции

Что в обязательном порядке должно быть отражено в проекте РЗА? И чем ограничивается объём проектирования на первом этапе — проектной документации? Рассмотрим в этой статье.

Статья создана на основе актуальных НТД и собственного опыта проектирования, тем самым отражает необходимый и достаточный объём работы инженера на этапе ПД, но не гарантирует отсутствие дополнительных требований в задании заказчика.

СОДЕРЖАНИЕ:

  1. Расположение тома РЗА в составе проекта.
  2. Основание для проектирования.
  3. Перечень нормативных документов.
  4. Краткая характеристика объекта.
  5. Технические решения по РЗА.
  6. Общие технические требования к РЗА
  7. Требования к составу функций в устройствах РЗА.
  8. Технические требования к устройствам и шкафам РЗА.
  9. Прочая информация.
  10. Ведомость оборудования и материалов.
  11. Схема распределения по ТТ и ТН устройств ИТС.
  12. План расположения оборудования РЗА в здании ОПУ.
  13. Структурно-функциональные схемы шкафов РЗА.
  14. Спецификация оборудования, изделий и материалов.
  15. Расчёт трансформаторов тока.
  16. Расчёт уставок.
  17. Прочие прилагаемые документы.

РАСПОЛОЖЕНИЕ В СОСТАВЕ ПРОЕКТА:

1. Расположение тома РЗА в составе проекта

Согласно Постановлению Правительства № 87 от 16.02.2008⎘ (далее Положению) информация о «релейной защите и автоматике, включая противоаварийную и режимную автоматику» ограничивается одной строкой внутри подраздела «Система электроснабжения» раздела 5 «Сведения об инженерном оборудовании, о сетях и системах инженерно-технического обеспечения».

Дополнительные требования к РЗА в главном документе проектировщика отсутствуют. Поэтому включаем наш том внутрь указанного раздела, а наполнение тома будем определять на основе других НТД.

Состав проектной документации

тома
Обозначение Наименование Примечание
1 2 3 4
П2200888-565-25/ПИР-СП «Состав проектной документации»
Раздел 1 «Пояснительная записка»
1 П2200888-565-25/ПИР-ПЗ «Пояснительная записка»
Раздел 3 «Объёмно-планировочные и архитектурные решения»
3 П2200888-565-25/ПИР-АР «Архитектурные решения»
Раздел 4 «Конструктивные решения»
4 П2200888-565-25/ПИР-КР «Конструктивные решения»
Раздел 5 «Сведения об инженерном оборудовании, о сетях инженерно-технического обеспечения»
Подраздел 1 «Система электроснабжения»
5.1 П2200888-565-25/ПИР-ИОС1 Книга 1 «Электротехнические решения. Силовое оборудование»
5.2 П2200888-565-25/ПИР-ИОС2 Книга 2 «Электротехнические решения. Система собственных нужд»
5.3 П2200888-565-25/ПИР-ИОС3 Книга 3 «Электротехнические решения. Система оперативного постоянного тока»
5.4 П2200888-565-25/ПИР-ИОС4 Книга 4 «Релейная защита и автоматика»
...

Электротехнических решений в составе ПД⎘ мы касались ранее. Собственные нужды, включая низковольтные цепи и освещение, и СОПТ, в случае большого объёма проектирования, выносят в отдельные тома. Релейная защита идёт четвёртым по порядку.

ТЕКСТОВАЯ ЧАСТЬ:

2. Основание для проектирования

Здесь указывается задание на проектирование, инвестиционная программа, технические условия на присоединение или иные документы, послужившие основанием проектируемой реконструкции или строительства энергетического объекта.

3. Перечень нормативных документов

В раздел вносится перечень действующих на момент разработки проекта редакций нормативных документов, регламентирующих принципы построения РЗА или содержащих требования к шкафам (отдельным устройствам) РЗА.

4. Краткая характеристика объекта

Глава содержит общую информацию о подстанции. Она может дублировать подобный раздел «Электротехнических решений». Подробнее о её наполнении — читай в нашей статье⎘.

Допускается не отражать эту информацию в настоящем томе.

5. Технические решения по РЗА

В главу включают информацию об основных технических решениях, принятых в проекте. В случае необходимости в эту главу также вносят обоснование того или иного решения.

Примерный порядок:

  • основные принципы выполнения системы РЗА;
  • решение по размещению устройств РЗА;
  • токовые цепи;
  • цепи напряжения;
  • управление, измерение и сигнализация;
  • оперативная блокировка разъединителей;
  • регистратор аварийных событий;
  • решения по организации ЛВС.

6. Общие технические требования к РЗА

В соответствии с НТД здесь могут задаваться:

  • общие требования к устройствам РЗА;
  • требования к релейной защите линий;
  • требования к защитам трансформаторов;
  • требования к защитам шин (ошиновок);
  • требования к автоматическому повторному включению (АПВ);
  • требования к устройству резервирования при отказе выключателя (УРОВ).

Указанный список может быть сужен или дополнен в зависимости от объёма выполняемых работ и особенностей электроустановки. Информация, как правило, представляется в текстовом виде.

7. Требования к составу функций в устройствах РЗА

Эту информацию можно найти в актуальных стандартах организаций, задающих требования к шкафам электротехническим типовым (ШЭТ) РЗА.

Пример отображения требований к ШЭТ ЛЭП 110-750 кВ в проекте:

  • 5 ступеней ДЗ с функциями АУ и ОУ;
  • БК ;
  • 6 ступеней ТНЗНП с функциями АУ и ОУ;
  • 3 ступени МТЗ с функцией АУ;
  • МФТО;
  • ОМП;
  • УРОВ;
  • АПВ.

8. Технические требования к устройствам и шкафам РЗА

Технические требования к оборудованию представляют в табличном виде.

Как правило, сюда входят:

  • общие технические требования к МП устройствам РЗА;
  • общие функциональные требования к МП устройствам РЗА;
  • требования к автоматике управления выключателем (АУВ);
  • требования к УРОВ;
  • требования к отдельным защитам;
  • типовые технические требования к шкафам защит.

Прочие требования:

  • требование к заводской документации на шкафы РЗА;
  • требования к исполнительной документации;
  • требования к цепям вторичной коммутации;
  • требования к импортозамещению;
  • требование к обучению персонала.

9. Прочая информация

Прочая информация может быть включена как в единую, так и отдельные главы. Она излагается в повествовательной форме с отражением сведений и обоснованием их применения. Это может быть:

  • кабельное хозяйство;
  • электромагнитная совместимость;
  • обозначения и сокращения, применяемые в разделе.

Так как вопрос электромагнитной совместимости часто выносится в отдельный том ПД, дублирование его в разделе РЗА может оказаться излишним.

10. Ведомость оборудования и материалов

Ведомость оборудования представляется в табличном виде и должна быть достаточной для учёта всех материальных ресурсов в сметной документации.

Ведомость основного электротехнического оборудования и материалов

п/п
Наименование Тип Ед.
изм.
Кол-во Примечания
Устройства РЗА
1. Шкаф защит ШЭТ 221.09-0 шт. 6
Шкафы наружной установки
2. Шкаф зажимов выключателя ШЗВ-150 шт. 6
Дополнительное оборудование
3. Светодиодная лампа сигнализации (зелёная) шт. 6
4. Светодиодная лампа сигнализации (красная) шт. 6
5. Переключатель кулачковый трёхпозиционный шт. 6
6. Реле промежуточное =220 В шт. 6
7. Реле указательное =220 В шт. 6
Кабельная продукция
8. Кабель контрольный экранированный с медными жилами с изоляцией и оболочкой из ПВХ композиций пониженной пожароопасности КВВГЭнг(А)-LS 5х4 м 5000
9. КВВГЭнг(А)-LS 7х2,5 м 3500
10. Металлорукав в ПВХ изоляции РЗ-ЦПнг-25 м 300
11. Провод жёлто-зелёный ПуГВ 6 мм2 м 50

Ввиду того, что понятие «спецификация» — до недавнего времени не находившее своего места в нормах, регламентирующих ПД, — появилось в последних редакциях Положения⎘, рекомендуем переносить указанный перечень оборудования и материалов в Приложение к тому: Спецификация оборудования, изделий и материалов↓.

Понятие «Ведомость» уже становится неактуальным.

ГРАФИЧЕСКАЯ ЧАСТЬ:

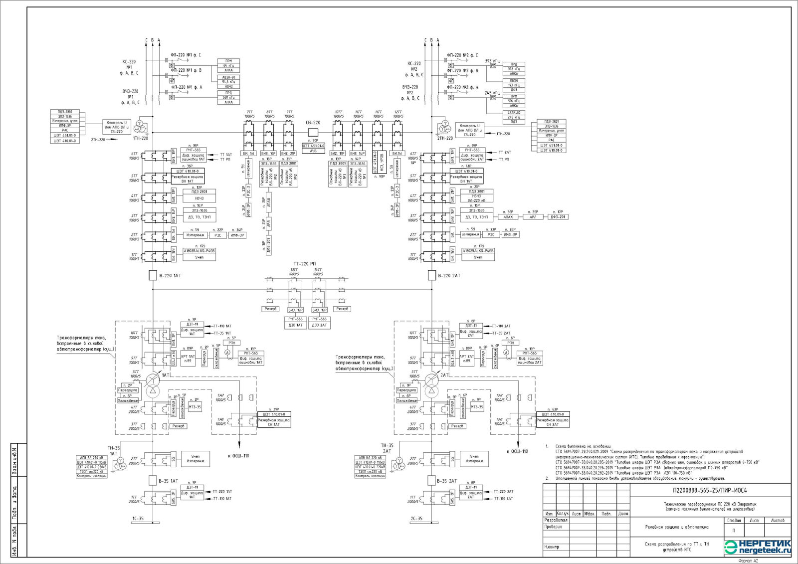
11. Схема распределения по ТТ и ТН устройств ИТС

Схема распределения по ТТ и ТН разрабатывается одновременно со схемой электрической принципиальной (СЭП) объекта. Большинство правил, относящихся к СЭП, относятся и к схеме распределения. Правила оформления СЭП можно найти здесь⎘.

На схеме распределения должны отображаться все функции (устройства) ИТС проектируемого объекта. Именно эта схема определяет окончательную расстановку измерительных трансформаторов в электроустановке.

Электрическая схема

На схеме должны быть:

  • вновь устанавливаемые по проекту типовые шкафы с указанием устройств и функций ИТС;
  • вновь устанавливаемые устройства (функции) ИТС нетиповых шкафов;
  • существующие шкафы/панели/устройства с указанием функций ИТС, замена которых не предусматривается.

Существующее оборудование отображается тонкой сплошной линией, проектируемое — жирной.

12. План расположения оборудования РЗА в здании ОПУ

Расстановка шкафов в помещении должна сопровождаться поясняющей таблицей с перечнем панелей и шкафов. Существующее оборудование наносится тонкой линией, проектируемое — жирной. Лицевая сторона шкафов маркируется двойной линией.

Чертёж размещения оборудования на плане

В условных обозначениях цветом может отображаться информация о:

  • реконструируемых панелях (шкафах);
  • проектируемых шкафах;
  • демонтируемых панелях (шкафах).

При размещении шкафов и панелей нужно руководствоваться общими правилами для электропомещений:

  1. Ширина проходов в свету должна быть не менее 0,8 м, высота — не менее 1,9 м. В отдельных местах проходы могут быть стеснены выступающими строительными конструкциями, однако ширина прохода в этих местах должна быть не менее 0,6 м.
  2. Проходы для обслуживания щитов, при длине щита более 7 м, должны иметь два выхода. Двери из помещений должны открываться в сторону других помещений или наружу. Ширина дверей должна быть не менее 0,75 м, высота не менее 1,9 м.
  3. Новые шкафы должны предусматривать двухстороннее обслуживание.
  4. Типовые габариты новых шкафов — 800×600×2200 мм (ШхГхВ, включая цоколь 200 мм).

13. Структурно-функциональные схемы шкафов РЗА

Типовые структурно-функциональные схемы можно найти в стандартах Россетей на соответствующие типовые шкафы. Каждая из схем адаптируется под проектируемую электроустановку с отражением соответствующих диспетчерских наименований во внешних связях шкафа.

Электрическая схема

ПРИЛОЖЕНИЯ:

14. Спецификация оборудования, изделий и материалов

Согласно современным требованиям все материально-технические ресурсы рекомендуется↑ сводить в прилагаемую к проекту спецификацию.

Спецификация составляется в следующей последовательности:

  • оборудование и приборы;
  • изделия и материалы;
  • кабельно-проводниковая продукция.

15. Расчёт трансформаторов тока

Технические характеристики проектируемых ТТ (а также существующих ТТ — при подключении к ним новых устройств РЗА) должны обеспечивать правильную работу устройств РЗА, в том числе в переходных режимах КЗ.

Выбор и проверка измерительного ТТ в настоящий момент сводится к следующему:

  • расчёт нагрузки вторичных обмоток;
  • проверка по условию 10%-ной погрешности;
  • проверка по времени насыщения при отсутствии остаточной намагниченности магнитопровода ТТ;
  • проверка по времени насыщения при наличии остаточной намагниченности.

Актуальные методические указания по расчёту ТТ можно найти по ссылке⎘. Данный вопрос заслуживает отдельной статьи.

16. Расчёт уставок

На стадии ПД выполняется ориентировочный расчёт параметров срабатывания затрагиваемых устройств РЗА. Он может быть выполнен как вручную, так и с использованием программного комплекса (например, АРМ СРЗА), по результатам расчёта токов КЗ в электрической сети и исходным данным по смежным устройствам защиты.

Всецело охватить этот вопрос также невозможно в рамках настоящей статьи.

17. Прочие прилагаемые документы

В качестве документов могут прилагаться:

  • информационные письма заводов-изготовителей устройств Р3А, подтверждающие информацию о времени, необходимом для правильного функционирования устройств РЗА в переходных режимах, сопровождающихся насыщением ТТ;
  • письма-указания о входном контроле качества кабельной продукции.

ВЫВОД

Релейная защита и автоматика — очень значимый и зачастую незаменимый раздел электроэнергетики. Но прежде чем преступать к работам, полезно знать необходимый и достаточный объём её проектирования.

В этой статье мы затронули расположение тома РЗА в составе ПД, наполнение текстовой и графической части проекта, а также необходимые приложения к нему.

Можно подметить, что текстовая часть тома РЗА в ПД значительно превосходит по объёму графическую (в отличие от этапа РД). А в сумме, релейная защита — это один из тех немногих разделов, который лаконично вписывается в пропорцию 40/60 (ПД/РД) по трудозатратам проектировщика, как это оценивается в сметах на ПИР.

Что же остаётся на этап РД? Читайте в нашем следующем материале.

ССЫЛОЧНАЯ ЛИТЕРАТУРА

Основные нормативно-технические документы, использованные при написании статьи, доступны на странице НТД и отфильтрованы по ссылкам: РЗА⎘, ТТ⎘, Прочее⎘

Подобный проект можно заказать через форму обратной связи на сайте

СЛУЧАЙ ИЗ ПРАКТИКИ

Очень часто к проектной документации поступают замечания подобного рода: «на плане размещения шкафов в ОПУ не показана раскладка кабелей» или «отсутствует схема прокладки контрольных кабелей по ОРУ».

В действующих НТД упоминание о необходимости разработки плана прокладки кабелей в ОПУ (на ОРУ) нам отыскать не удалось. Поэтому указания подобного рода считаем избыточными

РЕКОМЕНДУЕМ К ПРОЧТЕНИЮ

  • Энергетик
  • 29 мая 2023

Электротехнические решения. Объём проектирования в составе ПД

Подробнее

  • Энергетик
  • 29 января 2025

Замена выключателей 500 кВ и борьба с апериодической составляющей

Подробнее

Беспроводная передача энергии

Беспроводная передача энергии с помощью света

Японские учёные нашли способ передачи, безвредный для человека — подробнее в нашем канале

В телеграм
Лучшее, что Вы можете сделать для нас, выразив благодарность, — это подписаться на наш телеграм-канал

JB Cookies

Обратная связь через Адрес электронной почты защищен от спам-ботов. Для просмотра адреса в браузере должен быть включен Javascript.
©2020-2025. Энергетик.ру — все права защищены